English
Español
Português
русский
Français
日本語
Deutsch
tiếng Việt
Italiano
Nederlands
ภาษาไทย
Polski
한국어
Svenska
magyar
Malay
বাংলা ভাষার
Dansk
Suomi
हिन्दी
Pilipino
Türkçe
Gaeilge
العربية
Indonesia
Norsk
تمل
český
ελληνικά
український
Javanese
فارسی
தமிழ்
తెలుగు
नेपाली
Burmese
български
ລາວ
Latine
Қазақша
Euskal
Azərbaycan
Slovenský jazyk
Македонски
Lietuvos
Eesti Keel
Română
Slovenski
मराठी
Srpski језик
Caratteristica del prodottoes
1, generazione DC e accumulo DC, maggiore efficienza e minori perdite, adatto per il fotovoltaico e la potenza di accumulo è maggiore
rispetto agli scenari di alimentazione del carico off-grid;
2, protezione IP65, adatta all'uso esterno. L'MPPT nelle vicinanze aumenta l'uscita di convergenza, aiutando a prevenire il cablaggio
confusione causata dalla trasmissione di più cavi fotovoltaici (PV) su lunghe distanze al sistema all-in-one.
3, ampio intervallo di tensione di ingresso fotovoltaico da 200-900 V, che supporta l'accesso ai moduli fotovoltaici ad alta corrente del settore.
4、MPPT multicanale, che soddisfa il multiangolo del pannello fotovoltaico
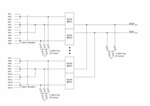
Schema elettrico

Specifica
| Modelli | MPPT-8 | MPPT-6 | MPPT-12 | |
| Interfaccia lato fotovoltaico Parametri |
Voltaggio massimo del campo fotovoltaico | 900 V | ||
| Intervallo di tensione MPPT | 200 V-900 V | |||
| Intervallo di tensione MPPT nominale | 560 V-900 V | |||
| Corrente massima del ramo | 24A | 20A | ||
| Numero di stringhe di ingresso FV | 8 | 6 | 12 | |
| Numero di MPPT | 8 | 2 | 4 | |
| Corrente per MPPT | 20A | 55A | ||
| Parametri di uscita | Intervallo di tensione | 600-950 V | ||
| Tensione nominale | Predefinito 716,8 V, regolabile | |||
| Corrente di uscita nominale | 118A | 84A | 168A | |
| Potenza di uscita nominale | 84 kW | 60 kW | 120 kW | |
| Corrente di uscita massima | 192A | 120A | 240A | |
| Parametri di sistema | Cienza dell'UE | 99,4% | ||
| Grado IP | IP65 | |||
| Concetto di raffreddamento | Convezione naturale | Raffreddamento ad aria forzata | ||
| Dimensioni (L*P*A) | 550x530x280mm | 630×460×260mm | 630×460×260mm | |
| Peso | 42kg | 25 kg | 30kg | |
| Temperatura operativa | -30~55℃ | |||
| Modalità di alimentazione | Autoalimentato (senza consumo di energia durante la notte) | |||
| Interfaccia di comunicazione | RS485 | |||

Armadio di accumulo di energia
Batteria al litio di accumulo di energia verticale
Batteria al litio per accumulo di energia dell'armadio rack
Batteria al litio con accumulo di energia per montaggio a parete
Batteria al litio di accumulo di energia impilata
Batteria al litio per accumulo di energia ad alta tensione