English
Español
Português
русский
Français
日本語
Deutsch
tiếng Việt
Italiano
Nederlands
ภาษาไทย
Polski
한국어
Svenska
magyar
Malay
বাংলা ভাষার
Dansk
Suomi
हिन्दी
Pilipino
Türkçe
Gaeilge
العربية
Indonesia
Norsk
تمل
český
ελληνικά
український
Javanese
فارسی
தமிழ்
తెలుగు
नेपाली
Burmese
български
ລາວ
Latine
Қазақша
Euskal
Azərbaycan
Slovenský jazyk
Македонски
Lietuvos
Eesti Keel
Română
Slovenski
मराठी
Srpski језик |
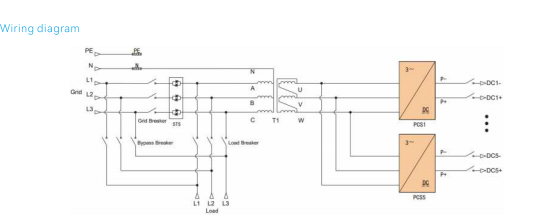
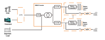
Caratteristica Il sistema utilizza unità inverter modulari in configurazione parallela, dove l'ingresso CC di ciascun modulo inverter corrisponde a un armadio batteria dedicato, consentendo la gestione per cluster per eliminare le correnti circolanti tra corde della batteria. I moduli di alimentazione AC/DC supportano un'implementazione flessibile sia in termini di quantità che di potenza nominale, con una capacità massima di moduli da 60kW in parallelo da 5 unità configurazione. L'uscita CA dai moduli di potenza viene fornita tramite un trasformatore stadio di uscita isolato, che fornisce energia al carico con forte resistenza a shock attuale. L'ESS ibrido utilizza l'integrazione fotovoltaica accoppiata in corrente continua, ottenendo risultati elevati efficienza di conversione energetica e ottimizzata per scenari off-grid con fotovoltaico capacità di generazione superiore alla domanda di carico; Controller MPPT adatti all'esterno integra le funzionalità del combinatore e MPPT in un unico involucro rinforzato. Il sistema completo comprende un'opzione ATS con generatore diesel, ibrido da 300 kW inverter, controller MPPT fotovoltaico e un sistema di accumulo dell'energia della batteria.
Caratteristica Il sistema utilizza unità inverter modulari in configurazione parallela, dove l'ingresso CC di ciascun modulo inverter corrisponde a un armadio batteria dedicato, consentendo la gestione per cluster per eliminare le correnti circolanti tra corde della batteria. I moduli di alimentazione AC/DC supportano un'implementazione flessibile sia in termini di quantità che di potenza nominale, con una capacità massima di moduli da 60kW in parallelo da 5 unità configurazione. L'uscita CA dai moduli di potenza viene fornita tramite un trasformatore stadio di uscita isolato, che fornisce energia al carico con forte resistenza a shock attuale. L'ESS ibrido utilizza l'integrazione fotovoltaica accoppiata in corrente continua, ottenendo risultati elevati efficienza di conversione energetica e ottimizzata per scenari off-grid con fotovoltaico capacità di generazione superiore alla domanda di carico; Controller MPPT adatti all'esterno integra le funzionalità del combinatore e MPPT in un unico involucro rinforzato. Il sistema completo comprende un'opzione ATS con generatore diesel, ibrido da 300 kW inverter, controller MPPT fotovoltaico e un sistema di accumulo dell'energia della batteria.
Specifiche |
|||||
| Modelli | P200TS-400-A | P250TS-400-A | P300TS-400-A | ||
|
Parametri lato DC |
Intervallo di tensione | 650-950 Vcc | |||
| Interruttore di ingresso per modulo | 250A | ||||
| Numero di canali CC | 3 vie | 4 vie | 5 modi | ||
|
Parametri lato CA (connesso alla rete) |
Potenza di uscita nominale | 200 kW | 250 kW | 300 kW | |
| Massima potenza in uscita | 220 kW | 275 kW | 330 kW | ||
| Corrente di uscita nominale | 289A | 361A | 433A | ||
| THDi | <3% | ||||
| Tipo di griglia | 3W+N+PE | ||||
| Intervallo di tensione | 360 Vca~440 Vca | ||||
| Gamma di frequenza | 45~55Hz/55~65Hz | ||||
| Fattore di potenza | -1~1 | ||||
|
Isolata Parametri lato AC |
Potenza di uscita nominale | 200 kW | 250 kW 300 kW | ||
| Tensione di uscita nominale | 400 Vca | ||||
| Frequenza di uscita nominale | 50/60Hz | ||||
| THDu | <1% lineare, <5% non lineare <1% lineare, <5% non lineare | ||||
| Capacità di sovraccarico | Sovraccarico del 110% per 10 minuti110% per 10 minuti | ||||
|
Isolamento della griglia Trasferimento e quadri |
Interruttore di bypass di manutenzione | 400A | 630A | ||
| Interruttori di rete | 630A | 800A | |||
| Interruttori di carico | 400A | 630A | |||
| Unità STS | 577A/400kW | 722A/500kW | |||
| Orario di cambio | <20ms | ||||
|
Parametri di sistema |
Massima efficienza | 97,5% | |||
| Temperatura operativa | -30~55℃-30~55℃(Declassamento superiore a 40℃) | ||||
| Umidità relativa | 0~95%UR,0~95%UR, senza condensa | ||||
| Dimensioni (L*P*A) | 1300×1050×2050 mm | ||||
| Peso | 1400 kg | 1700 kg 1800 kg | |||
| Grado IP | IP21 IP21 (set completo) | ||||
| Rumore | <70dB | ||||
| Schermo di visualizzazione | Touchscreen LCD | ||||
| Comunicazione BMS | POTERE | ||||
| Comunicazione EMS | TCP/IP | ||||
Armadio di accumulo di energia
Batteria al litio di accumulo di energia verticale
Batteria al litio per accumulo di energia dell'armadio rack
Batteria al litio con accumulo di energia per montaggio a parete
Batteria al litio di accumulo di energia impilata
Batteria al litio per accumulo di energia ad alta tensione