English
Español
Português
русский
Français
日本語
Deutsch
tiếng Việt
Italiano
Nederlands
ภาษาไทย
Polski
한국어
Svenska
magyar
Malay
বাংলা ভাষার
Dansk
Suomi
हिन्दी
Pilipino
Türkçe
Gaeilge
العربية
Indonesia
Norsk
تمل
český
ελληνικά
український
Javanese
فارسی
தமிழ்
తెలుగు
नेपाली
Burmese
български
ລາວ
Latine
Қазақша
Euskal
Azərbaycan
Slovenský jazyk
Македонски
Lietuvos
Eesti Keel
Română
Slovenski
मराठी
Srpski језик
Caratteristiche del prodotto
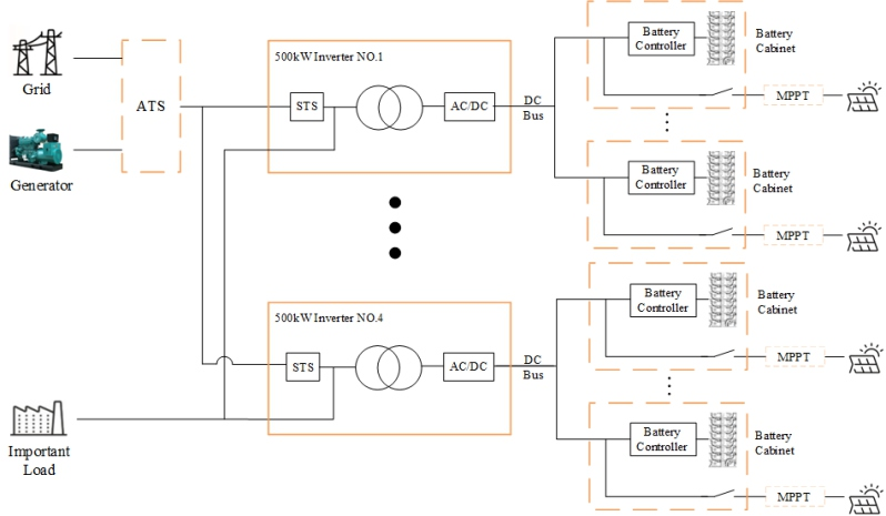
1. Per carichi superiori a 500 kW, si consiglia di utilizzare un inverter di accumulo di energia a unità singola di grande capacità da 500 kW, in grado di supportare fino a quattro serie di connessioni parallele, raggiungendo una potenza totale di 2 MW;
2. Quando si utilizzano più sistemi da 500 kW in parallelo e si distribuisce STSa su diversi inverter da 500 kW, è fondamentale garantire che la lunghezza del cavo dal punto di collegamento della rete al punto di collegamento del carico sia coerente;
3.L'ESS ibrido utilizza l'integrazione fotovoltaica accoppiata in corrente continua, ottenendo un'elevata efficienza di conversione energetica e ottimizzato per scenari off-grid con capacità di generazione fotovoltaica superiore alla domanda di carico; MPPT adatto per esterni
i controller integrano le funzionalità combinatore e MPPT in un unico involucro rinforzato. Il sistema completo include un'opzione ATS per generatore diesel, un inverter ibrido da 300 kW, un controller MPPT fotovoltaico e una batteria
sistema di accumulo dell’energia.


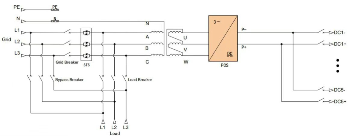
Specifica
| Modelli | P500TS-400-A | |
|
Parametri lato DC |
Intervallo di tensione | 500-950 V |
| Corrente massima | 1128A | |
| Potenza di uscita nominale | 500 kW | |
|
Parametri lato CA (connesso alla rete) |
Massima potenza in uscita | 550 kW |
| Corrente di uscita nominale | 722A | |
| THDi | <3% | |
| Tipo di griglia | 3W+N+PE | |
| Intervallo di tensione | 360 V CA ~ 440 V CA | |
| Gamma di frequenza | 45~55Hz/55~65Hz | |
| Fattore di potenza | -1~1 | |
| Potenza di uscita nominale | 500 kW | |
|
Parametri lato AC (fuori rete) |
Tensione di uscita nominale | 400 V |
| Frequenza di uscita nominale | 50/60Hz | |
| THDu | <1% di carico lineare, <5% di carico non lineare | |
| Capacità di sovraccarico | 110%10 minuti | |
| Interruttore di bypass di manutenzione | 1250A | |
|
Interruttore Off-Grid e configurazione dell'interruttore |
Interruttore CC | 1250A |
| Interruttore di carico | 1250A | |
| Interruttore di rete | 1250A | |
| Unità STS | 1155A/800kW | |
| Orario di cambio | <20ms | |
|
Parametri di sistema |
Massima efficienza | 97,5% |
| Temperatura operativa | -30~55℃(Declassamento superiore a 40℃) | |
| Umidità relativa | Da 0 a 95% di umidità relativa, senza condensa | |
| Dimensioni (L*P*A) | 1600×1050×2050 mm | |
| Peso | 2700 kg | |
| Grado IP | IP21 IP21(Macchina completa) | |
| Rumore | <70dB | |
| Schermo di visualizzazione | schermo LCD | |
| Comunicazione BMS | POTERE | |
| Comunicazione EMS | TCP/IP | |
Armadio di accumulo di energia
Batteria al litio di accumulo di energia verticale
Batteria al litio per accumulo di energia dell'armadio rack
Batteria al litio con accumulo di energia per montaggio a parete
Batteria al litio di accumulo di energia impilata
Batteria al litio per accumulo di energia ad alta tensione